
SRFB系列回油過濾器
簡述:
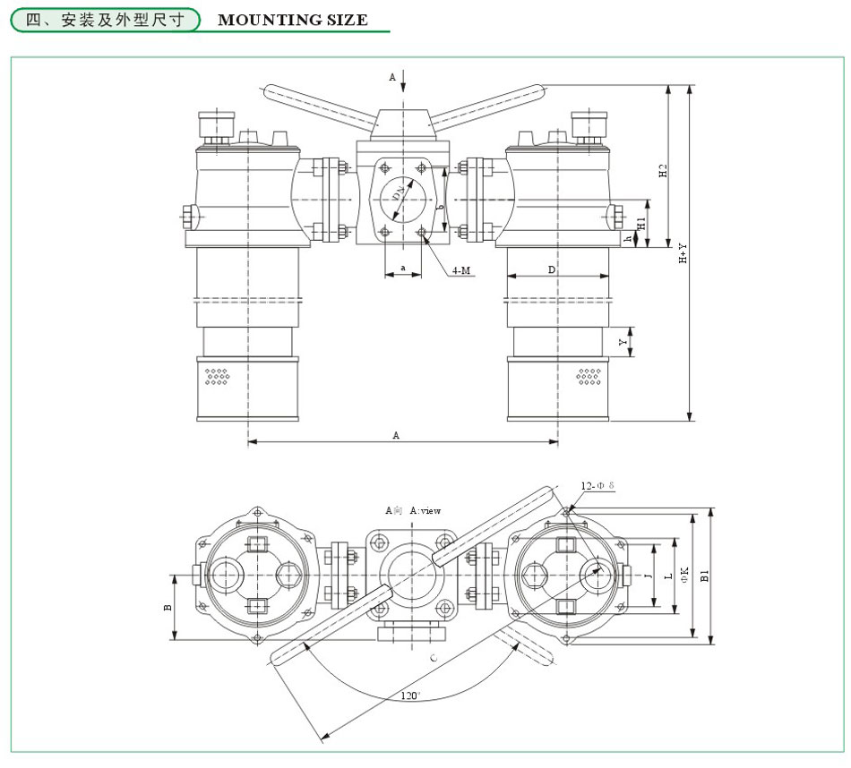
SRFB系列回油過濾器適用于必須連接工作,不允許停機更換濾芯工況下的液壓系統清過濾,濾除系統中由于元件磨損產生的金屬顆拉和密封件的橡膠雜質等污染物,使流回油箱的油液保持清潔。過濾器由兩只RF8直回式回油過過濾器和換向悶組成.可安裝在油箱側面。
詳情介紹
SRFB系列回油過濾器適用于必須連接工作,不允許停機更換濾芯工況下的液壓系統清過濾,濾除系統中由于元件磨損產生的金屬顆拉和密封件的橡膠雜質等污染物,使流回油箱的油液保持清潔。過濾器由兩只RF8直回式回油過過濾器和換向悶組成.可安裝在油箱側面。
詳情介紹